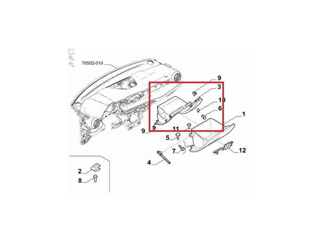
Alfa Romeo Tonale Cornice 5ZT61LXHAB
Codice: 60977931Descrizione dettagliata del prodotto
Telaio
Per i veicoli:
Alfa Romeo Tonale 7R (2022-2025)
Alfa Romeo Tonale 8R (2025-….)
OEM:
5ZT61LXHAB, 60977931
Parametri aggiuntivi
| Categoria: | Alfa Romeo Tonale (2022-....) Interni ed equipaggiamenti interni |
|---|---|
| Peso: | 0.77 kg |
| CSPS-XML: | 0,1 |

| Azienda produttrice : | Mopar |
|---|---|
| Indirizzo : | FCA US US LLC, Attn: Data Protection Office, 1000 Chrysler Drive, Auburn Hills, Michigan 48326, United States |
| E-mail : | customerservicesinternational@fcagroup.com |
